【導讀】對于伺服電機和步進電機,由于結構簡單,原理上也不是太復雜,看到實物,再配合應用,就了解了。本文通過4張步進電機的整機電路圖,帶你了解步進電機驅動的“本來面目”。
在由上位機或PLC為主的工控系統(tǒng)中,尤其是在對各種機械設備的控制中,常??吹絇LC、觸摸屏、伺服電機驅動器、伺服電機或步進電機驅動器、步進電機的組合應用。但對電機驅動器的結構和電路,限于各種條件,就難以知道其“本來面目”了。在此將步進電機的整機電路圖奉獻于大家。
步進電機的整機電路圖共4張:

圖1:步進電機驅動的主電路和開關電源電路
步進電機驅動器的功率輸出電路的形式同變頻器主電路是相似的。每一路皆由兩只IGBT管子做推挽式輸出,在管子上也反向并聯(lián)了二極管,以提供反向電流的通路,進而保護IGBT管子的安全。IGBT管子的過流保護信號由AR1、BR1兩只電阻上取得,此兩只電阻將流經IGBT管子的電流信號轉化為電壓信號,經后級保護電路處理,送入單片機。開關電源輸出的+5V,作為單片機的電源。另外,+5V、-5V還作為保護電路的雙電路供電。一路+15V電源,經PIC和PT1轉化為四路15V電源,供四路驅動電路用。

圖2:驅動電源及端子信號來源
由電源板來的+15V電源,經NE555時基電路振蕩逆變,開關變壓器PT1四個次級繞組輸出四組互相隔離的15V直流電壓,供驅動IC的供電;

圖3:步進電機驅動器的脈沖驅動電路及步時電機的工作電流設定電路等
驅動IC采用IS2110S專用的驅動芯片,單片機輸出的四路脈沖信號經由74LS08四二輸入與門電路處理后,送入四片IS2110S驅動電路,經光電隔離和功率放大后,送放逆變功率電路,輸入步進脈沖到步時電機;

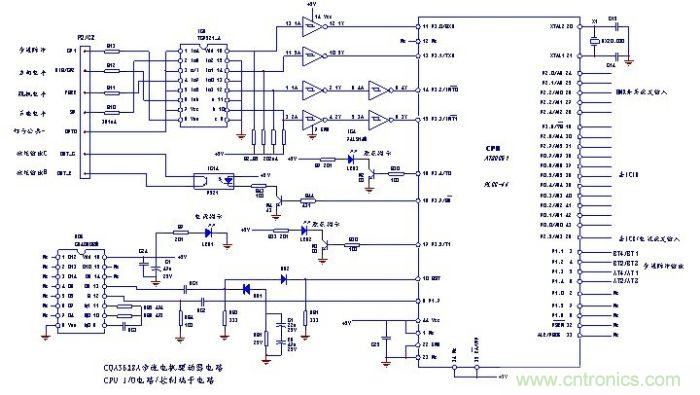
圖4:CPU(單片機)電路和控制端子內電路圖
步進電機驅動器是由單片機生成四路脈沖信號,經后續(xù)電路驅動功率輸出電路,進而驅動步進電機的。該圖將單片機的O/I口都詳細標出,便于進行分析原理和故障檢測??刂贫俗?,除步進脈沖和方向電平信號輸入外,還提供步進驅動器的故障信號輸出,用于故障狀態(tài)的顯示等。



